万能粉碎机

产品特点
本机适用于制药、化工、食品等行业,是粉碎与吸尘为一体的新一代粉碎设备。
0B粉碎设备-B型万能粉碎机组的详细资料
B型系列万能粉碎机组
主要用途:本机适用于制药、化工、食品等行业,是粉碎与吸尘为一体的新一代粉碎设备。
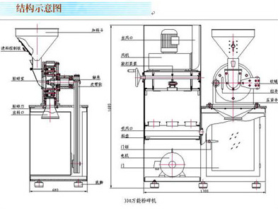
工作原理:本机利用活动齿盘和固定齿盘间的相对运动,使被粉碎物经齿冲击、摩擦及物料彼此间冲击而获得粉碎。粉碎好的物料经旋转离心力的作用,自动进入捕集袋,粉尘由吸尘箱经布袋过滤回收。整机按“GMP”标准设计,全部用不锈钢材料制造,生产过程中无粉尘飞扬。且能提高物料的利用率,降低企业成本。
结构示意图
本机适用于制药、化工、食品等行业,是粉碎与吸尘为一体的新一代粉碎设备。
0B粉碎设备-B型万能粉碎机组的详细资料
B型系列万能粉碎机组
主要用途:本机适用于制药、化工、食品等行业,是粉碎与吸尘为一体的新一代粉碎设备。
工作原理:本机利用活动齿盘和固定齿盘间的相对运动,使被粉碎物经齿冲击、摩擦及物料彼此间冲击而获得粉碎。粉碎好的物料经旋转离心力的作用,自动进入捕集袋,粉尘由吸尘箱经布袋过滤回收。整机按“GMP”标准设计,全部用不锈钢材料制造,生产过程中无粉尘飞扬。且能提高物料的利用率,降低企业成本。
结构示意图

相关产品



网站首页
苏公网安备32020602003193号